MXNG45C2R1260T2UPS1
井兮精密軸承(上海)有限公司專業銷售IKO MXNG45C2R1260T2UPS1導軌,庫存日本IKO MXNG45C2R1260T2UPS1導軌大量現貨,與廠家常年批量訂購IKO MXNG45C2R1260T2UPS1導軌,您可來電咨詢庫存、報價、優惠等信息。咨詢熱線:021-36539288

更新時間:2025.12.06 瀏覽量:1049
同系列型號
IKO MES35C2R600T1PS1直線導軌基本尺寸參數
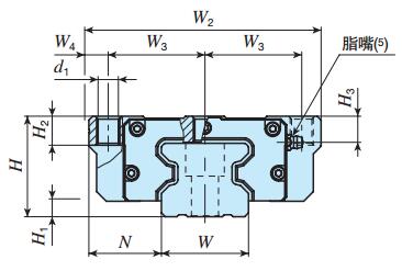
- 直線導軌型號:
- MXNG45C2R1260T2UPS1
- 品牌:
- IKO
- 類型:
- 直線導軌
- 系列:
- 自潤滑直線導軌系列
- 滑塊 kg:
- 3.73
- 滑軌 kg/m:
- 10.8
- 裝配尺寸H:
- 52
- 裝配尺寸H1:
- 8
- 裝配尺寸N:
- 37.5
- W2:
- 120
- W3:
- 50
- W4:
- 10
- L1:
- 194
- L2:
- 80
- L3:
- 139
- L4:
- —
- L5:
- 17.5
- L6:
- 60
- d1:
- 10.5
- M1:
- M12
- 最大 螺紋擰入 深度(2):
- 13
- H2:
- 15
- H3:
- 13.5
IKO MES35C2R600T1PS1尺寸參數
- 直線導軌型號:
- MXNG45C2R1260T2UPS1
- W:
- 45
- H4:
- 38
- d3:
- 14
- d4:
- 20
- h:
- 17
- E:
- 52.5
- F:
- 105
- 附帶的滑軌(3) 安裝用螺栓 mm 螺釘的公稱x R:
- M12x40
- 基本額定動 負荷(4) C N:
- 124 000
- 基本額定靜 負荷(4) C0N:
- 223 000
- 額定靜力矩(4) T0 N m:
- 6 200
- 額定靜力矩(4) Tx N m:
- 5 220 29 000
- 額定靜力矩(4) Ty N m:
- 5 220 29 000
