LWHY45C2R840T3PS1
井兮精密軸承(上海)有限公司專業銷售IKO LWHY45C2R840T3PS1導軌,庫存日本IKO LWHY45C2R840T3PS1導軌大量現貨,與廠家常年批量訂購IKO LWHY45C2R840T3PS1導軌,您可來電咨詢庫存、報價、優惠等信息。咨詢熱線:021-36539288

更新時間:2025.12.06 瀏覽量:970
同系列型號
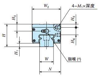
IKO MES35C2R600T1PS1直線導軌基本尺寸參數
- 直線導軌型號:
- LWHY45C2R840T3PS1
- 品牌:
- IKO
- 類型:
- 直線導軌
- 系列:
- 直線導軌H系列
- 滑塊 kg:
- 3.30
- 滑軌 kg/m:
- 10.7
- 裝配尺寸H:
- 70
- 裝配尺寸H1:
- 10
- 裝配尺寸N:
- 65
- W2:
- 85.7
- L1:
- 147
- L2:
- 55
- L3:
- 103.4
- L4:
- 158
- M1x深度:
- M10x11
- H3:
- 23
- H5:
- 10
- H6:
- 22
IKO MES35C2R600T1PS1尺寸參數
- 直線導軌型號:
- LWHY45C2R840T3PS1
- W:
- 45
- H4:
- 34
- d3:
- 14
- d4:
- 20
- h:
- 17
- E:
- 52.5
- F:
- 105
- 附帶的滑軌(2) 安裝用螺栓 mm 螺釘的公稱x R:
- M12x35
- 基本額定動 負荷(3) C N:
- 47 600
- 基本額定靜 負荷(3) C0N:
- 65 000
- 額定靜力矩(3) T0 N m:
- 1 720
- 額定靜力矩(3) Tx N m:
- 1 200 6 420
- 額定靜力矩(3) Ty N m:
- 1 100 5 900
