LWHG65C2R3000SP
井兮精密軸承(上海)有限公司專業銷售IKO LWHG65C2R3000SP導軌,庫存日本IKO LWHG65C2R3000SP導軌大量現貨,與廠家常年批量訂購IKO LWHG65C2R3000SP導軌,您可來電咨詢庫存、報價、優惠等信息。咨詢熱線:021-36539288

更新時間:2025.12.06 瀏覽量:855
同系列型號
IKO MES35C2R600T1PS1直線導軌基本尺寸參數
- 直線導軌型號:
- LWHG65C2R3000SP
- 品牌:
- IKO
- 類型:
- 直線導軌
- 系列:
- 直線導軌H系列
- 滑塊 kg:
- 17.6
- 滑軌 kg/m:
- 22.2
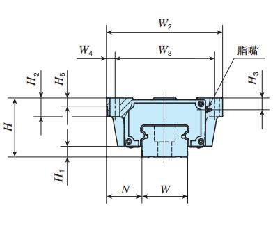
- 裝配尺寸H:
- 90
- 裝配尺寸H1:
- 18
- 裝配尺寸N:
- 53.5
- W2:
- 170
- W3:
- 142
- W4:
- 14
- L1:
- 303
- L2:
- 110
- L3:
- 238.8
- L4:
- 313
- d1:
- 16
- H2:
- 23
- H3:
- 20
- H5:
- —
IKO MES35C2R600T1PS1尺寸參數
- 直線導軌型號:
- LWHG65C2R3000SP
- W:
- 63
- H4:
- 48
- d3:
- 18
- d4:
- 26
- h:
- 22
- E:
- 75
- F:
- 150
- 附帶的滑軌(2) 安裝用螺栓 mm 螺釘的公稱x R:
- M16x50
- 基本額定動 負荷(3) C N:
- 229 000
- 基本額定靜 負荷(3) C0N:
- 269 000
- 額定靜力矩(3) T0 N m:
- 7 560
- 額定靜力矩(3) Tx N m:
- 8 530 41 500
- 額定靜力矩(3) Ty N m:
- 7 810 38 100
