LWFF69C2R1280SP
井兮精密軸承(上海)有限公司專業銷售IKO LWFF69C2R1280SP導軌,庫存日本IKO LWFF69C2R1280SP導軌大量現貨,與廠家常年批量訂購IKO LWFF69C2R1280SP導軌,您可來電咨詢庫存、報價、優惠等信息。咨詢熱線:021-36539288

更新時間:2025.12.06 瀏覽量:775
同系列型號
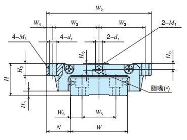
IKO MES35C2R600T1PS1直線導軌基本尺寸參數
- 直線導軌型號:
- LWFF69C2R1280SP
- 品牌:
- IKO
- 類型:
- 直線導軌
- 系列:
- 直線導軌F系列
- 滑塊 kg:
- 1.40
- 滑軌 kg/m:
- 9.51
- 裝配尺寸H:
- 35
- 裝配尺寸H1:
- 4
- 裝配尺寸N:
- 25.5
- W2:
- 120
- W3:
- 53.5
- W4:
- 6.5
- L1:
- 109
- L2:
- 60
- L3:
- 79.5
- L4:
- 120
- d1:
- 7
- M1:
- M8
- H2:
- 14
- H3:
- 8
- H5:
- 8
IKO MES35C2R600T1PS1尺寸參數
- 直線導軌型號:
- LWFF69C2R1280SP
- w:
- 69
- H4:
- 19.5
- W5:
- 40
- W6:
- 14.5
- d3:
- 7
- d4:
- 11
- h:
- 9
- E:
- 40
- F:
- 80
- 附帶的滑軌(2) 安裝用螺栓 mm 螺釘的公稱x R:
- M6x22
- 基本額定動 負荷(3) C N:
- 34 900
- 基本額定靜 負荷(3) C0N:
- 44 100
- 額定靜力矩(3) T0 N m:
- 1 560
- 額定靜力矩(3) Tx N m:
- 581 2 940
- 額定靜力矩(3) Ty N m:
- 488 2 460
